Pfad: Home > Radioaktivität

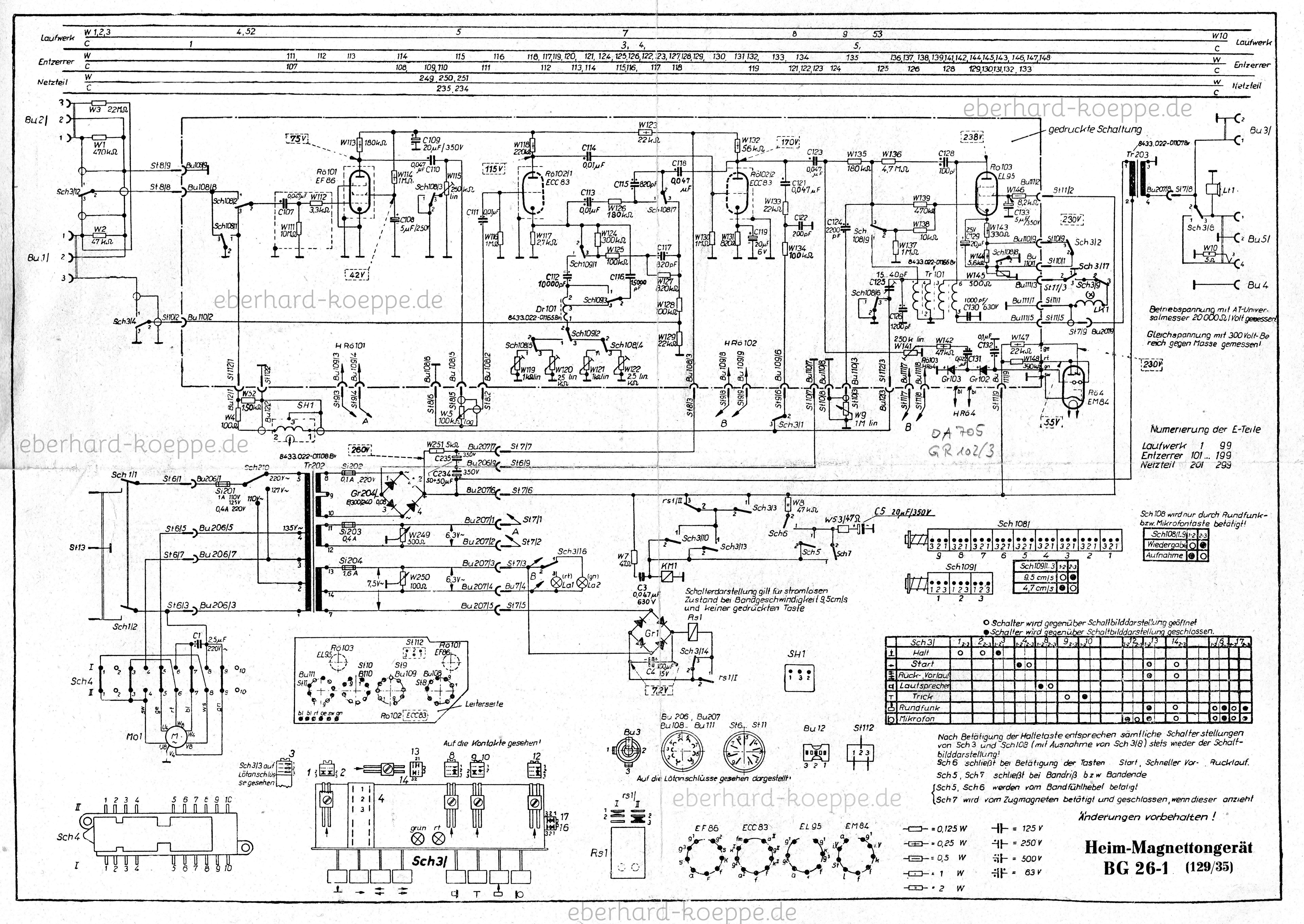
Das Handbuch und der Schaltplan als jpg Bilder

Jeweils rechte Maustaste und link speichern unter.

Das Handbuch ist eine senkrechte Aneinanderreihnung aller Seiten als ein jpg.

Am besten mit xnview o.ä. ansehen.

Handbuch 1920 px Breite

Schaltplan 6595 px Breite

Seitenanfang